Описание
PL2401-7,
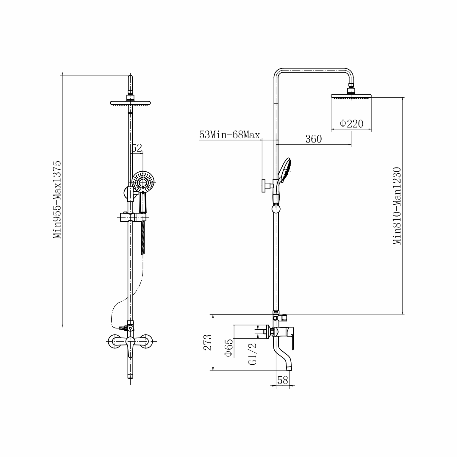
душевая стойка
чёрная
смеситель: ABS паластик, картридж D=35 мм
внутр. часть соприкасающаяся с водой: ABS пластик
излив: ABS, поворотный с аэратором
дивертор: 3-х ходовой с керамическими пластинами
установочный комплект +
штанга: сталь SUS201, H=810-1230 мм, чёрная
верхняя лейка: ABS, D=200 мм, чёрная
ручная лейка: ABS, D=80 мм, 1 режим, чёрная
шланг: 1500 мм, оплётка сталь SUS304, чёрный
Показать полностью
Свернуть
Характеристики
Бренд
PLSTART
Страна производства
Китай
Тип
Наружного монтажа
Глубина, см
47
Высота, см
137
Комплект поставки
Душевая система, паспорт.
Длина излива, см
5
Цвет
черный
Отзывы
Отзывов еще никто не оставлял
